Как сделать из дисковода лазер

Оказывается, что поломанную технику не нужно сразу выкидывать, ей можно дать вторую жизнь. К примеру, не спешите избавляться от поломанного дисковода, поскольку из него можно смастерить такую замечательную вещь, как лазер. Таким самодельным лазером можно прожигать дерево, пластик, прочие материалы, а также он светит на сотни метров. Если у вас поломался DVD привод, то можете попробовать соорудить такое интересное приспособление, только сначала нужно научиться, как сделать из дисковода лазер.
Во-первых, чтобы из привода сделать лазер, лучше всего использовать пишущий дисковод. При этом, чем выше скорость записи привода, тем мощнее получится ваш лазер. К тому же, вы получите огромное эстетическое удовольствия, если вам удастся из уже ненужной вещи сделать нечто полезное.
Итак, чтобы сделать из дисковода лазер, следует выполнить такие действия:
1. Сначала нужно будет извлечь лазерный модуль из привода. Для этого разбираете дисковод и добираетесь до его лазерной головки, после чего извлекаете ее. Сейчас ваша цель – это лазерный модуль. Перед тем, как извлечь сам модуль, нужно закоротить все три его вывода с помощью тонких медных проводков (можно из многожильного провода взять одну нить). Это необходимо для страховки от статики. Дальше можно извлекать сам лазерный модуль. «Сидит» он в дисководе довольно хорошо, поэтому вам придется потрудиться, к тому же постарайтесь сбалансировать свои усилия между «раскурочить привод» и «не сломать лазер».
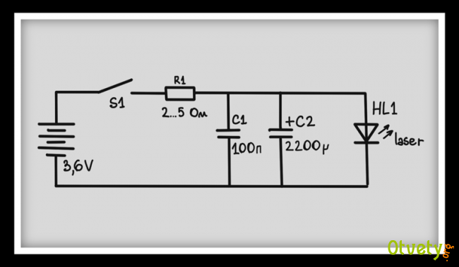
2. Дальше переходите к сборке схемы. Она нужна, чтобы можно было контролировать мощность готового лазера. В противном случае ваш лазер просто сгорит. Чтобы не заморачиваться со схемой, можете сделать простой навесной монтаж.
3. После этого дело за питанием. Питать устройство необходимо от 3,7 вольт. Для переносного лазера прекрасно подойдут аккумуляторы, взятые из мобильных телефонов, которые имеют параллельное соединение. Также можно воспользоваться стабилизированным блоком питания.
Нужно сразу предупредить, что лазер безжалостно относится к сетчатке глаза. Когда будете работать с этим устройством, обязательно используйте специальные очки. Красные очки дают возможность лучше видеть сам лазерный луч, в отличие от простых очков для безопасности. Чтобы получилось красивее, можете подпустить немного дыма.
4. Когда вы подключите питание, вы увидите потребление, равно 200 мА, а также пучок довольно яркого света. В темноте лазер будет работать в качестве фонарика.
5. Для фокусировки луча можно использовать специальную линзу, если вам кажется, что он получился не совсем «лазерным». Линза позволит регулировать фокусное расстояние. На первых порах подойдет линза, взятая из того же дисковода. С ее помощью у вас получится сфокусировать луч, однако, без специального жесткого корпуса это занятие весьма утомительное.
6. Дальше вам нужно изготовить корпус для вашего лазера. В интернете можно найти описание, где люди в качестве корпуса используют фонарики либо лазерные указки. Это удобно тем, что в них уже есть линзы. Однако, использование лазерной указки несколько увеличивает денежные растраты на изготовление лазера из дисковода. Можно просто сделать алюминиевый профиль, главное все изолировать.
7. Чтобы регулировать положение линзы было удобнее, можно прикрепить ее на пластилин. Между прочим, она будет лучше работать, если вы перевернете ее выпуклой стороной к лазерному диоду. Отрегулировав линзу, у вас получится сравнительно собранный луч. Можно отрегулировать его более точно, однако и такого луча хватит, чтобы расплавить черный пластик. С помощью такого лазера можно запросто разрезать черную изолетну. Кроме того, данный лазер можно применять в качестве пушки для детской игры в солдатики.